Двигатель Москвич 412: Устройство, характеристики, особенности эксплуатации и ремонта

Узнайте все о двигателе Москвич 412! История, характеристики, ремонт, тюнинг и даже альтернативные варианты замены. Полный гид для фанатов Москвича!

dvigatel-moskvich-412-ustrojstvo-harakteristiki-osobennosti-jekspluatacii-i-remonta

Автомобиль Москвич 412, легенда советского автопрома, оставил неизгладимый след в истории. Его надежность и простота конструкции сделали его популярным среди автолюбителей. Одним из ключевых элементов этой машины, безусловно, является двигатель. В данной статье мы подробно рассмотрим устройство, характеристики, особенности эксплуатации и ремонта двигателя Москвич 412, а также поговорим о его тюнинге и альтернативных вариантах замены.

История создания и технические характеристики двигателя Москвич 412

Двигатель Москвич 412, известный как УЗАМ-412, был разработан на Уфимском заводе авиационных моторов (УЗАМ). Этот двигатель представлял собой значительный шаг вперед по сравнению с предшествующими моделями, устанавливаемыми на Москвич 408. Он отличался более высокой мощностью, улучшенной надежностью и увеличенным ресурсом.

Основные технические характеристики:

  • Тип двигателя: Четырехтактный, бензиновый
  • Число цилиндров: 4, рядное расположение
  • Рабочий объем: 1478 куб. см
  • Диаметр цилиндра: 82 мм
  • Ход поршня: 70 мм
  • Степень сжатия: 8.5
  • Максимальная мощность: 75 л.с. при 5800 об/мин
  • Максимальный крутящий момент: 112 Нм при 3000-3400 об/мин
  • Система питания: Карбюратор
  • Система охлаждения: Жидкостная

Конструктивные особенности:

Двигатель УЗАМ-412 отличался от своих предшественников алюминиевым блоком цилиндров с чугунными гильзами. Это решение позволило снизить вес двигателя и улучшить его теплоотдачу. Головка блока цилиндров (ГБЦ) также была выполнена из алюминия и имела полусферические камеры сгорания. Это обеспечивало более эффективное сгорание топливной смеси и, как следствие, повышение мощности и экономичности.

Распредвал располагался в головке блока цилиндров (OHC), что также было прогрессивным решением для своего времени. Привод распредвала осуществлялся двухрядной роликовой цепью. Клапаны приводились в действие коромыслами.

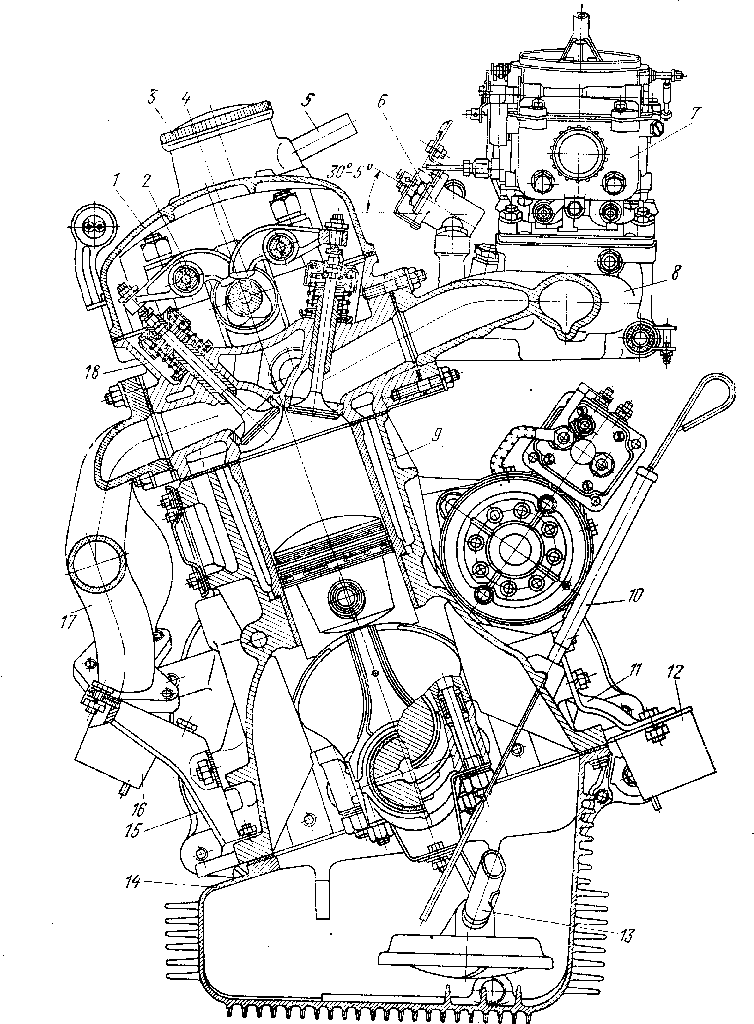
Устройство двигателя Москвич 412: Подробный разбор

Для понимания принципов работы и обслуживания двигателя Москвич 412 необходимо знать его устройство. Рассмотрим основные узлы и системы двигателя более подробно.

Блок цилиндров:

Блок цилиндров является основой двигателя. В блоке расположены цилиндры, в которых перемещаются поршни. В двигателе УЗАМ-412 блок цилиндров выполнен из алюминиевого сплава с чугунными гильзами, запрессованными в блок. Гильзы обеспечивают износостойкость и долговечность цилиндров.

Головка блока цилиндров (ГБЦ):

ГБЦ закрывает блок цилиндров сверху и содержит камеры сгорания, клапаны, распредвал и каналы для охлаждающей жидкости и масла. В ГБЦ двигателя УЗАМ-412 расположены полусферические камеры сгорания, что способствует более эффективному сгоранию топливной смеси. Клапаны приводятся в действие коромыслами от распредвала.

Кривошипно-шатунный механизм (КШМ):

КШМ преобразует возвратно-поступательное движение поршней во вращательное движение коленчатого вала. КШМ состоит из поршней, шатунов, коленчатого вала и маховика. Поршни соединяются с шатунами при помощи поршневых пальцев. Шатуны соединяются с коленчатым валом при помощи шатунных шеек. Коленчатый вал вращается в коренных подшипниках, расположенных в блоке цилиндров.

Система смазки:

Система смазки обеспечивает подачу масла ко всем трущимся деталям двигателя для снижения трения и износа. Система смазки состоит из масляного насоса, масляного фильтра, маслопроводов и масляного поддона. Масляный насос забирает масло из поддона и подает его под давлением к трущимся деталям. Масляный фильтр очищает масло от загрязнений.

Система охлаждения:

Система охлаждения отводит тепло от двигателя и поддерживает оптимальную температуру его работы. Система охлаждения состоит из водяной рубашки, радиатора, водяного насоса, термостата и вентилятора. Водяная рубашка окружает цилиндры и головку блока цилиндров. Водяной насос прокачивает охлаждающую жидкость через водяную рубашку и радиатор. Термостат регулирует температуру охлаждающей жидкости. Вентилятор обдувает радиатор для улучшения теплоотдачи;

Система питания:

Система питания обеспечивает подачу топливной смеси в цилиндры двигателя. В двигателе УЗАМ-412 используется карбюраторная система питания. Система питания состоит из топливного бака, топливного насоса, карбюратора, воздушного фильтра и впускного коллектора. Топливный насос подает топливо из бака в карбюратор. Карбюратор смешивает топливо с воздухом и образует топливную смесь. Воздушный фильтр очищает воздух, поступающий в карбюратор. Впускной коллектор распределяет топливную смесь по цилиндрам.

Система зажигания:

Система зажигания обеспечивает воспламенение топливной смеси в цилиндрах двигателя. Система зажигания состоит из катушки зажигания, прерывателя-распределителя, высоковольтных проводов и свечей зажигания. Катушка зажигания преобразует низкое напряжение в высокое; Прерыватель-распределитель распределяет высокое напряжение по свечам зажигания в соответствии с порядком работы цилиндров. Свечи зажигания создают искру, которая воспламеняет топливную смесь.

Эксплуатация двигателя Москвич 412: Советы и рекомендации

Правильная эксплуатация двигателя Москвич 412 является залогом его долгой и бесперебойной работы. Следуйте этим советам, чтобы продлить срок службы вашего двигателя.

Регулярное техническое обслуживание:

  • Замена масла и масляного фильтра: Рекомендуется заменять масло и масляный фильтр каждые 5000-7000 км пробега. Используйте масло, рекомендованное производителем.
  • Замена воздушного фильтра: Заменяйте воздушный фильтр каждые 10000-15000 км пробега. Грязный воздушный фильтр снижает мощность двигателя и увеличивает расход топлива.
  • Замена свечей зажигания: Заменяйте свечи зажигания каждые 20000-30000 км пробега. Неисправные свечи зажигания могут привести к перебоям в работе двигателя и увеличению расхода топлива.
  • Регулировка клапанов: Регулируйте клапаны каждые 15000-20000 км пробега. Неправильная регулировка клапанов может привести к снижению мощности двигателя и повреждению клапанов.
  • Проверка и регулировка карбюратора: Регулярно проверяйте и регулируйте карбюратор для обеспечения оптимального состава топливной смеси.
  • Проверка системы охлаждения: Регулярно проверяйте уровень охлаждающей жидкости и состояние радиатора, шлангов и водяного насоса.

Правильный прогрев двигателя:

Перед началом движения прогревайте двигатель в течение нескольких минут, особенно в холодное время года. Не начинайте движение на непрогретом двигателе, так как это увеличивает износ деталей.

Избегайте перегрузок:

Не перегружайте автомобиль, так как это увеличивает нагрузку на двигатель и может привести к его преждевременному износу. Соблюдайте рекомендованную грузоподъемность автомобиля.

Используйте качественное топливо:

Используйте качественное топливо с октановым числом, рекомендованным производителем. Низкокачественное топливо может привести к детонации и повреждению двигателя.

Следите за температурой двигателя:

Следите за температурой двигателя по указателю на приборной панели. При перегреве двигателя немедленно остановитесь и дайте ему остыть. Причиной перегрева может быть недостаток охлаждающей жидкости, неисправность термостата или водяного насоса.

Ремонт двигателя Москвич 412: Основные неисправности и способы их устранения

Двигатель Москвич 412, как и любой другой двигатель, подвержен износу и поломкам. Рассмотрим основные неисправности двигателя УЗАМ-412 и способы их устранения.

Повышенный расход масла:

Повышенный расход масла может быть вызван износом поршневых колец, маслосъемных колпачков клапанов или утечками масла через сальники и прокладки. Для устранения этой неисправности необходимо заменить изношенные детали.

Снижение мощности двигателя:

Снижение мощности двигателя может быть вызвано износом поршневой группы, неправильной регулировкой клапанов, засорением воздушного фильтра, неисправностью карбюратора или системы зажигания. Для устранения этой неисправности необходимо провести диагностику и устранить выявленные проблемы.

Перебои в работе двигателя:

Перебои в работе двигателя могут быть вызваны неисправностью свечей зажигания, высоковольтных проводов, катушки зажигания или прерывателя-распределителя. Для устранения этой неисправности необходимо заменить неисправные детали.

Стук в двигателе:

Стук в двигателе может быть вызван износом коренных или шатунных подшипников, люфтом в поршневых пальцах или детонацией. Для устранения этой неисправности необходимо провести диагностику и устранить выявленные проблемы.

Перегрев двигателя:

Перегрев двигателя может быть вызван недостатком охлаждающей жидкости, неисправностью термостата, водяного насоса или засорением радиатора. Для устранения этой неисправности необходимо устранить причину перегрева.

Тюнинг двигателя Москвич 412: Увеличение мощности и улучшение характеристик

Несмотря на то, что двигатель Москвич 412 разрабатывался в 60-х годах, он имеет неплохой потенциал для тюнинга. Существует множество способов увеличить мощность и улучшить характеристики этого двигателя.

Увеличение рабочего объема:

Увеличение рабочего объема является одним из наиболее эффективных способов увеличения мощности двигателя. Для этого можно расточить цилиндры под больший диаметр поршней или установить коленчатый вал с большим ходом поршня.

Доработка головки блока цилиндров (ГБЦ):

Доработка ГБЦ позволяет улучшить наполнение цилиндров топливной смесью и увеличить мощность двигателя. Для этого можно увеличить диаметр клапанов, изменить форму каналов и отполировать их.

Установка спортивного распредвала:

Установка спортивного распредвала позволяет изменить фазы газораспределения и увеличить мощность двигателя на высоких оборотах. При выборе спортивного распредвала необходимо учитывать его характеристики и область применения.

Установка карбюратора с большей пропускной способностью:

Установка карбюратора с большей пропускной способностью позволяет увеличить количество топливной смеси, поступающей в цилиндры, и увеличить мощность двигателя. При выборе карбюратора необходимо учитывать его характеристики и соответствие двигателю.

Установка прямоточной системы выпуска:

Установка прямоточной системы выпуска позволяет снизить сопротивление выхлопных газов и увеличить мощность двигателя. При выборе прямоточной системы выпуска необходимо учитывать ее характеристики и уровень шума.

Альтернативные варианты замены двигателя Москвич 412

Если вы хотите значительно увеличить мощность и надежность вашего Москвича 412, можно рассмотреть вариант замены двигателя на более современный. Существует несколько популярных вариантов замены двигателя.

Двигатель ВАЗ (классика):

Замена двигателя на двигатель ВАЗ (классика) является одним из самых распространенных вариантов. Двигатели ВАЗ отличаются надежностью, доступностью запчастей и простотой установки. Для установки двигателя ВАЗ потребуется переделка подрамника и системы выпуска.

Двигатель ВАЗ (передний привод):

Замена двигателя на двигатель ВАЗ (передний привод) позволяет получить более современный и мощный двигатель. Для установки двигателя ВАЗ (передний привод) потребуется значительная переделка подрамника, системы выпуска и электропроводки.

Двигатель Opel:

Замена двигателя на двигатель Opel позволяет получить мощный и надежный двигатель с хорошим ресурсом. Для установки двигателя Opel потребуется переделка подрамника, системы выпуска и электропроводки.

Двигатель Toyota:

Замена двигателя на двигатель Toyota позволяет получить очень надежный и мощный двигатель с высоким ресурсом. Для установки двигателя Toyota потребуется значительная переделка подрамника, системы выпуска, электропроводки и возможно, коробки передач.

Двигатель Москвич 412 – это проверенный временем агрегат, обладающий достаточной надежностью и простотой конструкции. Правильная эксплуатация и своевременное обслуживание позволяют значительно продлить срок его службы. Для тех, кто желает увеличить мощность и улучшить характеристики автомобиля, существуют различные варианты тюнинга и замены двигателя. Выбор оптимального варианта зависит от ваших целей и финансовых возможностей. Надеемся, что эта статья помогла вам лучше понять устройство и особенности двигателя Москвич 412.

Описание: Узнайте все об устройстве, эксплуатации и ремонте двигателя для автомобиля Москвич 412. Подробные характеристики и советы по тюнингу двигателя 412.